| 材料 |
?????? 介質溫度℃ |
材料 |
介質溫度℃ |
| 氯化聚氯乙烯(PVC-C) |
-20℃~+95℃ |
聚氯乙烯(PVC-U) |
-5℃~+45℃ |
| 增強聚丙烯(FRPP) |
-20℃~+120℃ |
均聚聚丙烯(PPH) |
-20℃~+110℃ |
| 聚偏二氟乙烯(PVDF) |
40℃~+150℃ |
|
|
1.材料的結晶度高
由單一聚丙烯單體聚合而成,分子鏈中不含乙烯單體;分子鏈的整規度高,長久的使用壽命;
2.耐腐蝕性能好
可在一定范圍內承受PH值范圍在1-14的高濃度酸和堿的腐蝕;
3.耐熱保溫節能
適用的溫度范圍從-20℃到110℃;導熱系數小,具有較好的保溫性能;
4.可靠的連接性能
該產品熱熔接口的強度高于管材本體,接縫不會由于土壤移動或載荷作用而斷開;
5.良好的施工性能
該產品質輕,焊接工藝簡單,施工方便,工程綜合造價低,能滿足復雜的工藝管道;PPH管道系統廣泛應用于電鍍、蝕刻、化工、制藥、污水處理、環境工程等行業。

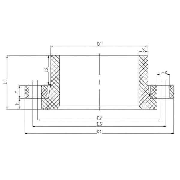
公稱直徑 DN |
D1 |
D2 |
D3 |
D4 |
S |
L1 |
L2 |
T |
h |
n-Φ |
| 15? |
20? |
65? |
95? |
2.5? |
71.5? |
50? |
14? |
7.5? |
4-Φ14 |
| 20? |
25? |
75? |
105? |
2.7? |
75.5? |
50? |
16? |
9.5? |
4-Φ14 |
| 25? |
32? |
85? |
115? |
3? |
77? |
50.5? |
16? |
10.5? |
4-Φ14 |
| 32? |
40? |
100? |
140? |
3.7? |
80? |
50.5? |
18? |
11.5? |
4-Φ19 |
| 40? |
50? |
110? |
150? |
4.6? |
81? |
50.5? |
18? |
12.5? |
4-Φ19 |
| 50? |
63? |
125? |
165? |
5.8? |
85? |
50.5? |
20? |
14.5? |
4-Φ19 |
| 65? |
75? |
145? |
185? |
6.9? |
87? |
50.5? |
20? |
16.5? |
4-Φ19 |
| 80? |
90? |
160? |
200? |
8.2? |
78? |
40? |
20? |
17? |
8-Φ19 |
| 100? |
110? |
180? |
229? |
10? |
78? |
40? |
22? |
18? |
8-Φ19 |
| 125? |
140? |
210? |
250? |
12.7? |
110? |
60? |
22? |
25? |
8-Φ19 |
| 150? |
160? |
240? |
285? |
14.6? |
107? |
60? |
24? |
25? |
8-Φ23 |
| 200? |
225? |
295? |
340? |
20.5? |
121? |
60? |
24? |
32? |
8-23 |
| 250? |
280? |
350? |
362? |
410? |
25.4? |
126? |
60? |
30? |
35? |
12-Φ22X28 |
| 300? |
315? |
400? |
432? |
483? |
28.6? |
135? |
60? |
36? |
37? |
12-Φ25X41 |
| 350? |
355? |
460? |
470? |
520? |
32.2? |
145? |
60? |
42? |
47? |
16-Φ25X30 |
| 400? |
400? |
515? |
540? |
597? |
36.3? |
160? |
63? |
46? |
52? |
16-Φ29X41.5 |